双控三根线经典接法(双控三根线经典接法图解)
www.51spjx.com 2023-05-30 10:20
生活中最常见的,进门打开客厅的一盏灯,直接到卧室休息时关掉客厅灯,无需再跑回客厅关灯,所以就可以采用三控开关,共同控制一个电源。
家居和装修常面临灯饰、台灯的线路连接,三个开关控制一盏灯,就是在双控的基础上,将两个开关的连接线中间增加一个双刀双掷开官,也可用双开代替。
一、双控开关的连接方法
1、电源火线分三根线,分别连接到灯饰的三个开关,从每个开关的三个裸线都连接到灯的一端,之后从等的另一端出来的一根线连接到电源的零线上。
这种接线是单联3控,先了解三个开关单开,这种单开要三个连接柱,电源火线介入第一个开关的中间接住才行。
2、使用两个双联开关,将两个开关控制一盏灯的连接方法,之后将两开关之间的2根双联线断开,用一个双刀双接开关将它们全部链接起来,使能通过他的开和关,达到原来2根线回复导通或交叉后导通,之后就可以完成三个开关控制一盏灯链接电路了。
100二、台灯点灯家居装修线路图纸也能有DWG、DXF、PDF、JPG等多种格式,版本也有很多种。为了防止不同格式打不开、版本高图纸在低版本CAD软件中打不开等等问题,可以采用以下免费方法,转换成想要的版本或格式。
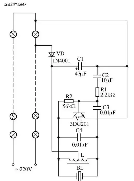
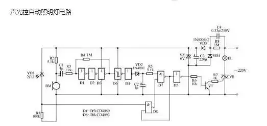
三、30中常见的照明控制原理图,这可是几十年老电工师傅的经验呀!
看完之后觉得对大家有帮助的话麻烦多多转发,多多收藏,让更多的人能学到这些专业知识,非常感谢大家,如果有更好的建议意见麻烦评论区留言,我会挨个回复,谢谢大家。
请关注“装修工艺大师”每天推送关于装修文章,让您快速的了解装修,学会装修。
本文地址:http://www.51spjx.com/tech-detail/t240881.html
热门资料
- ·一人民(min)币等于多少卢布(1卢布 = 人民币)
- ·淘金币可以(yi)赠送给好友的吗?(淘金币可以..
- ·股票一手(shou)是100股还是1000股(股票所说..
- ·奇亚籽的食用方法(奇亚籽的正确吃法与功效禁..
- ·手机如(ru)何把q币转到微信零钱(q币退款教程)
- ·煮汤圆的方(fang)法(煮汤圆的方法是冷水还是..
- ·1只母蚕蛾能配几只公蚕蛾(一只母蚕蛾可以配..
- ·二十万泰铢多少人民币(1卢布 = 人民币)
- ·青年节是(shi)几月几日的(青年节是几月几日..
- ·100美(mei)金换多少人民币(美元预计会涨到多..
- ·烟雨江湖(hu)的所有随从获得方法(烟雨江湖的..
- ·苹果震动怎么关(苹果震动怎么关静音)
相关产品





